浙江邑美电气科技有限公司
15869675673
浙江邑美电气科技有限公司
首页
首页
关于我们
关于我们
公司简介
资质荣誉
企业文化
关于我们
公司简介
资质荣誉
企业文化
产品中心
产品中心
智能疏散控制系统
EPS应急电源
消防巡检柜
消防电气控制装置
UPS不间断电源
阀控式密封铅酸蓄电池
风机控制箱
消防泵
有源滤波柜
DTU配网终端柜
产品中心
智能疏散控制系统
EPS应急电源
消防巡检柜
消防电气控制装置
UPS不间断电源
阀控式密封铅酸蓄电池
风机控制箱
消防泵
有源滤波柜
DTU配网终端柜
下载中心
下载中心
新闻中心
新闻中心
联系我们
联系我们
ATS系列双电源控制柜
当前位置:
首页
产品中心
消防巡检柜
产品中心
智能疏散控制系统
EPS应急电源
消防巡检柜
消防电气控制装置
UPS不间断电源
阀控式密封铅酸蓄电池
风机控制箱
消防泵
有源滤波柜
DTU配网终端柜
产品中心
智能疏散控制系统
EPS应急电源
消防巡检柜
消防电气控制装置
UPS不间断电源
阀控式密封铅酸蓄电池
风机控制箱
消防泵
有源滤波柜
DTU配网终端柜
ATS系列双电源控制柜
搜索
ATS系列双电源控制柜
如果您有任何问题可以联系我们!
联系我们
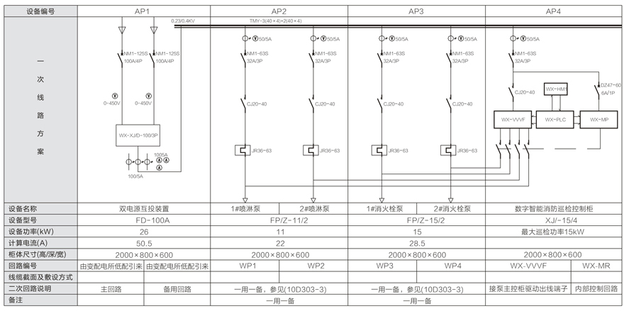
产品详情
返回
上一个:XJ系列智能消防泵巡检柜
下一个:XJ/XF(PL)系列水泵控制柜
相关产品
YMP-S系列高频在线式UPS
高层办公建筑自带电源集中控制型系统
UPS-C1KR机架式系列
防爆标志灯系列
点击
隐藏
电话
咨询
15869675673
客服热线